Conócenos
Blog
Contactos
Subscríbase
Iniciar sesión
Buscar por marca
3M
ANFIM
ASTORIA/CMA
BEZZERA
BFC
BIALETTI
BNZ
BRAS
BRASILIA
BREMA
BRUGNETTI
BWT
CAFELAT
CARIMALI
CASADIO
CIMBALI
CIME
COFFEE QUEEN
COMENDA
COMPAK
CONTI
CREMA PRO
DALLA CORTE
DVA
ECM
ECM DE
EDO
ELEKTRA
EUREKA
EXPOBAR
FAEMA
FIAMMA RST
FIORENZATO M.C
FOAM LOCUS
FRIMONT-FAEMA
FUTURMAT
GAGGIA
GENE CAFE
HARIO
HEYCAFE'
HIROIA
IPA
ISOMAC
IWAKI
LA PAVONI
LA SAN MARCO
LA SPAZIALE
LUX-DELUX
MACAP
MAZZER
METALLURGICA MOTTA
MONOLITH
NUOVA RICAMBI
NUOVA SIMONELLI
OBEL
PRO-FONDI
PROFITEC
PROMAC
PULLMAN
PULY CAFF
PUSH TAMPER
PäLLO
QUAMAR
RANCILIO
ROCKET
ROSSI
ROYAL
SANREMO
SIMAG
SIPRESSO
UGOLINI
VIBIEMME
VICTORIA ARDUINO
WEGA
Buscar por tipo de repuesto
ACCESORIOS PARA BARISTAS
ESPRESSO MACHINE PARTS
MOLINOS
PARA MOLINOS - REPUESTOS
PIECES DETACHEES UNIVERSELLES
CAJÓN PICAMARRO
EDO
LIBROS
PRESSINI
TAZAS
ASTORIA/CMA
BEZZERA
BFC
BRASILIA
BRUGNETTI
CARIMALI
CASADIO
CIMBALI
CIME
COFFEE QUEEN
CONTI
DALLA CORTE
ECM
ECM DE
ELEKTRA
EXPOBAR
FAEMA
FIAMMA RST
FUTURMAT
GAGGIA
ISOMAC
LA MARZOCCO
LA PAVONI
LA SAN MARCO
LA SPAZIALE
MODBAR
NUOVA SIMONELLI
PROFITEC
PROMAC
RANCILIO
ROCKET
ROYAL
SANREMO
VIBIEMME
VICTORIA ARDUINO
WEGA
ADAPTADORES PARA LATAS DE CAFÉ
MOLINOS
* FRESA MOLINO *
ANFIM
BNZ
COMPAK
EUREKA
FAEMA
FIORENZATO M.C.
HEYCAFE'
LUD-DELUX
MACAP
MAZZER
OBEL
QUAMAR
RANCILIO
ROSSI
SAN MARCO
ARTICULOS DE MANUTENCION
BOMBAS
CAPPUCCINADOR
COMPONENTES ELCETRICOS Y ELECTRONICOS
DETERGENTES PROFESIONALES
DISINFECTANTES
ELECTROVALVULA
GAS
GRIFOS
GRUPOS COMPLETOS
INSTRUMENTOS DE MEDICIÓN
PIE
PORTAFILTRI
PORTAFILTRO AJUSTABLE - PORTAFILTRO TEFLON
PORTAFILTRO CAPSULAS
PORTAFILTRO SIN FONDO
RACOR
SALIDAS
T-SHIRT
TRATAMIENTO DE AGUA
TUBOS
VALVULA DE SEGURIDAD
Conócenos
Blog
Contactos
CONTI
ESPRESSO MACHINE PARTS
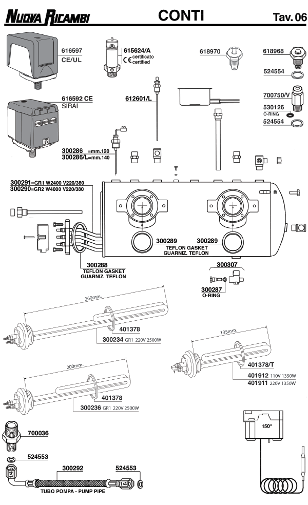
ficha Conti 06
Document not found!
ESPRESSO MACHINE PARTS
Conti 06
Solicite mas informacion
imprimir página
Seleccione el artículo eligiendolo de la ficha